H76H、H76W、H76X蝶式止回閥用于純凈管路及工業、環保、水處理、高層建筑給排水管路,阻止介質逆向流動之用。該止回閥由閥體、閥瓣、閥桿及彈簧等零件組成,采用對夾式連接,結構緊湊。由于閥瓣的關閉行程短,并有彈簧加載,關閉速度快,可顯著減少水錘現象。產品具有體積小、重量輕、動作靈敏、密封可靠、安裝方便等特點,可水平安裝或垂直安裝,可適用于水、蒸氣、油品、硝酸、醋酸、強氧化性介質等多種介質。
產品名稱: | 蝶式止回閥 | 產品型號: | H76H、H76W、H76X |
公稱通徑: | DN50~DN1200 | 結構形式: | 蝶形 |
公稱壓力: | 1.6MPa~4.0MPa | 150LB~2500LB | 連接方式: | 對夾式、法蘭式 |
適用溫度: | -29ºC~+425ºC | 驅動方式: | 介質推動 |
閥體材質: | 鑄鐵、鑄鋼、不銹鋼 | 標準: | 國標GB、德國DIN、美國API、ANSI |
適用介質: | 水、油、蒸汽、氣體、液體 | 生產廠家: | 浙江嵐勝閥門有限公司 |
1、體積小,重量輕,結構緊湊、維修方便
2、閥板采用對偶式,在彈簧的彈性力下矩下可自行速閉
3、因速閉作用,可防止介質倒流
4、閥體結構長度尺寸小,剛性好
5、安全方便,可用于水平垂直兩個方向安裝
1、法蘭連接尺寸:GB/T1724.1-98
2、結構長度:GB/T12221-1989,ISO5752-82
型號 | 工作壓力(MPa) | 適用溫度(℃) | 適用介質 | 閥體材料 |
H76X-10C/16C/25C | 1.0~2.5 | -29~80 | 水、油品 | 碳鋼/不銹鋼 |
H76H-10C/16C/25C/40C | 1.0~4.0 | -29~425 | 水、蒸汽、油品 | 碳鋼/不銹鋼 |
H76W-10P/16P/25P/40P | 1.0~2.5 | ≤150 | 硝酸類 | 不銹鋼 |
H76Y-40P | 4.0 | ≤150 | 硝酸類 | 不銹鋼 |
備注:如需美標150LB-2500LB請來電咨詢 | ||||

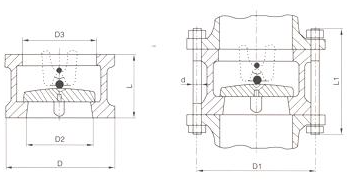
公稱通徑 | 公稱壓力 | 尺寸(mm) | 重量 | |||
L | D | D3 | D2 | |||
PN1.0MPa | 50 | 60 | 108 | 56 | 51 | 2 |
65 | 67 | 128 | 73 | 65 | 3 | |
80 | 73 | 142 | 88 | 80 | 4 | |
100 | 73 | 162 | 108 | 102 | 6 | |
125 | 86 | 192 | 132 | 127 | 8 | |
150 | 98 | 218 | 160 | 152 | 13 | |
200 | 127 | 273 | 210 | 203 | 25 | |
250 | 146 | 328 | 266 | 254 | 39 | |
300 | 181 | 378 | 310 | 305 | 64 | |
350 | 184 | 438 | 355 | 350 | 85 | |
400 | 191 | 489 | 405 | 400 | 114 | |
450 | 203 | 539 | 455 | 450 | 138 | |
500 | 219 | 594 | 505 | 500 | 161 | |
600 | 222 | 696 | 605 | 600 | 250 | |
700 | 305 | 811 | 700 | 695 | 370 | |
800 | 305 | 918 | 800 | 796 | 540 | |
900 | 368 | 1018 | 903 | 898 | 650 | |
1000 | 432 | 1124 | 1055 | 1050 | 900 | |
1200 | 524 | 1340 | 1205 | 1200 | 1420 | |
公稱通徑 | 公稱壓力 | 尺寸(mm) | 重量 | |||
L | D | D3 | D2 | |||
PN1.6MPa | 50 | 60 | 108 | 56 | 51 | 2 |
65 | 67 | 128 | 73 | 65 | 3 | |
80 | 73 | 142 | 88 | 80 | 4 | |
100 | 73 | 162 | 108 | 102 | 6 | |
125 | 86 | 192 | 132 | 127 | 8 | |
150 | 98 | 218 | 160 | 152 | 13 | |
200 | 127 | 273 | 210 | 203 | 25 | |
250 | 146 | 328 | 266 | 254 | 39 | |
300 | 181 | 384 | 310 | 305 | 64 | |
350 | 184 | 444 | 355 | 350 | 85 | |
400 | 191 | 496 | 405 | 400 | 114 | |
450 | 203 | 556 | 455 | 450 | 138 | |
500 | 219 | 618 | 505 | 500 | 161 | |
600 | 222 | 732 | 605 | 600 | 250 | |
700 | 305 | 802 | 700 | 695 | 370 | |
800 | 305 | 912 | 800 | 796 | 540 | |
900 | 368 | 1012 | 903 | 898 | 650 | |
1000 | 432 | 1126 | 1055 | 1050 | 900 | |
1200 | 524 | 1340 | 1205 | 1200 | 1420 | |
公稱通徑 | 公稱壓力 | 尺寸(mm) | 重量 | |||
L | D | D3 | D2 | |||
PN2.5MPa | 50 | 60 | 108 | 56 | 51 | 2 |
65 | 67 | 128 | 73 | 65 | 3 | |
80 | 73 | 142 | 88 | 80 | 4 | |
100 | 73 | 168 | 108 | 102 | 6 | |
125 | 86 | 194 | 132 | 127 | 8 | |
150 | 98 | 224 | 160 | 152 | 14 | |
200 | 127 | 284 | 210 | 203 | 27 | |
250 | 146 | 341 | 266 | 254 | 42 | |
300 | 181 | 401 | 210 | 305 | 54 | |
350 | 184 | 458 | 355 | 350 | 86 | |
400 | 191 | 515 | 405 | 400 | 120 | |
450 | 203 | 565 | 455 | 450 | 148 | |
500 | 219 | 622 | 505 | 500 | 165 | |
600 | 222 | 732 | 605 | 600 | 290 | |
700 | 305 | 831 | 700 | 695 | 400 | |
800 | 305 | 942 | 800 | 796 | 580 | |
900 | 368 | 1040 | 903 | 898 | 660 | |
1000 | 432 | 1155 | 1055 | 1050 | 960 | |
1200 | 524 | 1365 | 1205 | 1200 | 1510 | |
壓力等級 | 口徑 | 尺寸(mm) | 重量 | ||||
NPS | DN | L | D | D3 | D2 | ||
Class 150 | 2 | 50 | 60 | 103 | 56 | 51 | 2 |
2 1/2 | 65 | 67 | 122 | 73 | 65 | 3 | |
3 | 80 | 73 | 135 | 88 | 80 | 4 | |
4 | 100 | 73 | 173 | 108 | 102 | 6 | |
5 | 125 | 86 | 195 | 132 | 127 | 8 | |
6 | 150 | 98 | 220 | 160 | 152 | 13 | |
8 | 200 | 127 | 277 | 210 | 203 | 25 | |
10 | 250 | 146 | 337 | 366 | 254 | 39 | |
12 | 300 | 181 | 407 | 310 | 305 | 54 | |
14 | 350 | 184 | 448 | 355 | 350 | 80 | |
16 | 400 | 191 | 512 | 405 | 400 | 117 | |
18 | 450 | 203 | 547 | 455 | 450 | 138 | |
20 | 500 | 219 | 604 | 505 | 500 | 163 | |
24 | 600 | 222 | 715 | 605 | 600 | 331 | |
28 | 700 | 305 | 773 | 700 | 700 | 380 | |
30 | 750 | 305 | 824 | 750 | 746 | 425 | |
32 | 800 | 305 | 878 | 800 | 796 | 560 | |
36 | 900 | 368 | 983 | 910 | 898 | 640 | |
40 | 1000 | 432 | 1142 | 1055 | 1055 | 960 | |
48 | 1200 | 524 | 1302 | 1205 | 1200 | 1400 | |
壓力等級 | 口徑 | 尺寸(mm) | 重量 | ||||
NPS | DN | L | D | D3 | D2 | ||
Class 300 | 2 | 50 | 60 | 110 | 58 | 51 | 3 |
2 1/2 | 65 | 67 | 128 | 73 | 65 | 4 | |
3 | 80 | 73 | 147 | 88 | 80 | 6 | |
4 | 100 | 73 | 179 | 108 | 102 | 8 | |
5 | 125 | 86 | 214 | 132 | 127 | 15 | |
6 | 150 | 98 | 249 | 160 | 152 | 18 | |
8 | 200 | 127 | 305 | 210 | 203 | 31 | |
10 | 250 | 146 | 359 | 266 | 254 | 51 | |
12 | 300 | 181 | 420 | 310 | 305 | 77 | |
14 | 350 | 222 | 483 | 355 | 350 | 117 | |
16 | 400 | 232 | 537 | 405 | 400 | 190 | |
18 | 450 | 264 | 594 | 455 | 450 | 200 | |
20 | 500 | 292 | 652 | 505 | 200 | 265 | |
24 | 600 | 318 | 772 | 608 | 600 | 410 | |
30 | 750 | 368 | 882 | 740 | 735 | 660 | |
36 | 900 | 483 | 1044 | 880 | 873 | 1020 | |
42 | 1050 | 568 | 1196 | 1045 | 1035 | 1540 | |
48 | 1200 | 629 | 1385 | 1190 | 1179 | 2260 | |
壓力等級 | 口徑 | 尺寸(mm) | 重量 | ||||
NPS | DN | L | D | D3 | D2 | ||
Class 600 | 2 | 50 | 60 | 110 | 58 | 51 | 4 |
2 1/2 | 65 | 67 | 128 | 73 | 65 | 5 | |
3 | 80 | 73 | 147 | 88 | 80 | 8 | |
4 | 100 | 79 | 191 | 108 | 102 | 11 | |
5 | 125 | 105 | 239 | 136 | 127 | 20 | |
6 | 150 | 136 | 264 | 162 | 152 | 26 | |
8 | 200 | 165 | 318 | 212 | 200 | 55 | |
10 | 250 | 213 | 398 | 266 | 250 | 103 | |
12 | 300 | 229 | 455 | 312 | 305 | 140 | |
14 | 350 | 273 | 490 | 355 | 337 | 223 | |
16 | 400 | 35 | 562 | 400 | 387 | 360 | |
18 | 450 | 362 | 610 | 450 | 438 | 395 | |
20 | 500 | 368 | 680 | 500 | 489 | 518 | |
24 | 600 | 438 | 786 | 600 | 591 | 836 | |
壓力等級 | 口徑 | 尺寸(mm) | 重量 | ||||
NPS | DN | L | D | D3 | D2 | ||
Class 900 | 2 | 50 | 70 | 140 | 58 | 51 | 8 |
2 1/2 | 65 | 83 | 162 | 73 | 65 | 11 | |
3 | 80 | 83 | 165 | 90 | 80 | 14 | |
4 | 100 | 102 | 204 | 108 | 102 | 20 | |
5 | 125 | 110 | 245 | 136 | 127 | 30 | |
6 | 150 | 159 | 286 | 162 | 150 | 42 | |
8 | 200 | 206 | 356 | 212 | 200 | 8 | |
10 | 250 | 241 | 432 | 266 | 250 | 145 | |
12 | 300 | 292 | 495 | 312 | 305 | 220 | |
14 | 350 | 356 | 518 | 355 | 337 | 350 | |
16 | 400 | 384 | 572 | 400 | 387 | 470 | |
18 | 450 | 451 | 635 | 450 | 438 | 605 | |
20 | 500 | 451 | 695 | 496 | 487 | 820 | |
24 | 600 | 495 | 835 | 600 | 591 | 1050 | |
壓力等級 | 口徑 | 尺寸(mm) | 重量 | ||||
NPS | DN | L | D | D3 | D2 | ||
Class 1500 | 2 | 50 | 70 | 140 | 58 | 51 | 8 |
2 1/2 | 65 | 83 | 162 | 73 | 65 | 11 | |
3 | 80 | 83 | 172 | 90 | 80 | 19 | |
4 | 100 | 102 | 207 | 108 | 102 | 26 | |
5 | 125 | 110 | 252 | 136 | 127 | 51 | |
6 | 150 | 150 | 280 | 162 | 150 | 68 | |
8 | 200 | 206 | 350 | 212 | 200 | 130 | |
10 | 250 | 248 | 433 | 266 | 254 | 210 | |
12 | 300 | 305 | 518 | 312 | 305 | 384 | |
14 | 350 | 356 | 576 | 355 | 337 | 550 | |
16 | 400 | 384 | 639 | 400 | 387 | 635 | |
壓力等級 | 口徑 | 尺寸(mm) | 重量 | ||||
NPS | DN | L | D | D3 | D2 | ||
Class 2500 | 2 | 50 | 70 | 143 | 48 | 42 | 10 |
2 1/2 | 65 | 83 | 166 | 58 | 58 | 18 | |
3 | 80 | 86 | 194 | 68 | 68 | 26 | |
4 | 100 | 105 | 232 | 94 | 94 | 40 | |
5 | 125 | 110 | 277 | 106 | 106 | 59 | |
6 | 150 | 159 | 315 | 162 | 162 | 90 | |
8 | 200 | 206 | 385 | 186 | 186 | 150 | |
10 | 250 | 254 | 474 | 232 | 232 | 240 | |
12 | 300 | 305 | 547 | 272 | 272 | 440 | |