PZ73H/PZ73X刀型閘閥其應用范圍非常廣泛,從礦山、電廠的選煤、排矸、排渣,到城市的污水處理;從水泥、造紙廠的漿液輸送,到食品、衛生、醫藥等專業管道。超薄設計的刀型閘閥以其體積小、重量輕、阻流小、不積渣,易安裝,易拆卸的優點徹底解決了普通閘閥、平板閘閥、球閥、截止閥、調節閥、蝶閥等閥門的阻流大,占空間,易積渣,不易安裝和維修等疑難問題。因而大量的通用切斷類閥和調節型閥門被刀型閘閥取代。
產品名稱: | 刀型閘閥 | 產品型號: | PZ73H、PZ73X |
公稱通徑: | DN50~DN1200 | 結構形式: | 單閘板、雙閘板 |
公稱壓力: | 0.6Mpa~2.5Mpa | 連接方式: | 法蘭、對夾 |
適用溫度: | -20ºC~+150ºC~425ºC | 驅動方式: | 手動、鏈輪、傘齒輪、電動、氣動、液動 |
閥體材質: | 鑄鋼、不銹鋼 | 制造標準: | 國標GB、德國DIN、美國API、ANSI |
適用介質: | 排渣、煤灰、石灰、漿液、污水、糖漿等 | 生產廠家: | 浙江嵐勝閥門有限公司 |
刀型閘閥可配帶電動執行器及氣動執行器,通過配用電磁閥、接近開關等附件可以完成開、關兩位置的動作控制和信號輸出,也可以完成連續動作的自動控制。用戶可根據實際需要進行選擇。廣泛應用于化工、煤碳、制糖、污水、造紙等領域,是一種理想的密封閥門。特別適合于造紙行業在管道上作調節和節流使用。
公稱壓力:0.6MPa、1.0MPa、1.6MPa、2.5MPa、150LB
公稱通徑:DN50mm~DN2000mm NPS 2"~80"
適用溫度:-38℃~1100℃(具體溫度范圍視密封副材質和介質性質而定)
連接法蘭:ANSI B16.5、GB/T9113、JB/T79、HG、SH、JIS、DIN、NF、BS
主體材料:C.I、WCB、ZG1Cr18Ni9Ti、ZG1Cr18Ni12Mo2Ti、CF8、CF8M、CF3、CF3M、2Cr25Ni20
密封形式:硬密封、軟密封
泄 漏 量:硬密封:D級(液體0.1×DNmm3/s);軟密封:A級(零泄漏)
配套附件:安裝法蘭
1、單或雙控電磁閥(有24V、220V等電壓供選擇,必要時可選防爆電磁閥)
2、接近開關
3、氣源處理三聯件(包括減壓閥、過濾器、油霧器)
4、電/氣閥門定位器(調節型用)
閥體、上蓋 | 碳鋼、不銹鋼 |
閥板 | 不銹鋼 |
閥桿 | 不銹鋼 |
密封圈 | 橡膠、四氟、不銹鋼、硬質合金 |
公稱壓力 | PN |
殼體試驗 | 1.5×PN |
密封試驗 | 1.1×PN |
工作溫度 | 橡膠≤80℃,四氟密封≤180℃,硬密封≤425℃ |
適用介質 | 糖漿、紙漿、污水、煤漿、灰、渣水混合物 |
設計制造Design and manufacture: JB/T8691-1998
法蘭連接Flange connection: GB/T9113.1-2000 JB/T79-94
結構長度Stuctural length: GB/T15188.2-94
試驗驗收Testing and acceptance: GB/T13927-92

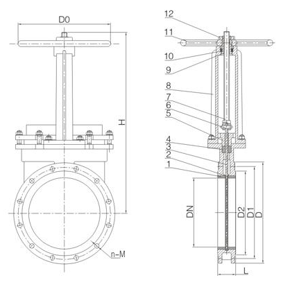
主要外形及連接尺寸Profile and connection dimension | 單位Unit:mm | ||||||||||||||
PN | DN | L | D | D1 | D2 | H | N-M | PN | DN | L | D | D1 | D2 | H | N-M |
0.6 | 50 | 48 | 160 | 125 | 100 | 370 | 4-16 | 1.0 | 50 | 48 | 160 | 125 | 99 | 370 | 4-16 |
65 | 48 | 180 | 145 | 120 | 400 | 4-16 | 65 | 48 | 185 | 145 | 120 | 400 | 4-16 | ||
80 | 50 | 195 | 160 | 135 | 440 | 4-16 | 80 | 50 | 200 | 160 | 135 | 440 | 8-16 | ||
100 | 50 | 215 | 180 | 155 | 510 | 8-16 | 100 | 50 | 220 | 180 | 155 | 510 | 8-16 | ||
125 | 57 | 245 | 210 | 185 | 580 | 8-16 | 125 | 57 | 250 | 210 | 185 | 580 | 8-16 | ||
150 | 57 | 280 | 240 | 210 | 690 | 8-20 | 150 | 57 | 285 | 240 | 210 | 690 | 8-20 | ||
200 | 70 | 335 | 295 | 265 | 800 | 8-20 | 200 | 70 | 340 | 295 | 265 | 800 | 12-20 | ||
250 | 70 | 390 | 350 | 320 | 960 | 12-20 | 250 | 70 | 405 | 355 | 310 | 960 | 12-22 | ||
300 | 76 | 440 | 400 | 368 | 1200 | 12-20 | 300 | 76 | 460 | 410 | 375 | 1200 | 12-22 | ||
350 | 76 | 500 | 460 | 428 | 1360 | 16-20 | 350 | 76 | 520 | 470 | 435 | 1360 | 16-22 | ||
400 | 89 | 565 | 515 | 482 | 1550 | 16-22 | 400 | 89 | 580 | 525 | 485 | 1550 | 16-27 | ||
450 | 89 | 615 | 565 | 532 | 1700 | 20-22 | 450 | 89 | 640 | 585 | 545 | 1700 | 20-27 | ||
500 | 114 | 670 | 620 | 585 | 1900 | 20-22 | 500 | 114 | 715 | 650 | 609 | 1900 | 20-30 | ||
600 | 114 | 780 | 725 | 685 | 2400 | 20-27 | 600 | 114 | 840 | 770 | 720 | 2400 | 20-36 | ||
700 | 130 | 895 | 840 | 800 | 2600 | 24-27 | 700 | 130 | 910 | 840 | 788 | 2600 | 24-36 | ||
800 | 130 | 1010 | 950 | 898 | 2700 | 24-30 | 800 | 130 | 1025 | 950 | 895 | 2700 | 24-36 | ||
900 | 140 | 1110 | 1050 | 1005 | 3100 | 28-30 | 900 | 140 | 1125 | 1050 | 998 | 3100 | 28-36 | ||
1000 | 216 | 1220 | 1160 | 1115 | 3600 | 28-30 | 1000 | 216 | 1255 | 1170 | 1110 | 3600 | 28-42 | ||
1200 | 254 | 1450 | 1380 | 1325 | 4300 | 32-36 | 1200 | 254 | 1485 | 1390 | 1325 | 4300 | 32-48 | ||