400X流量控制閥是一種采用高精度先導方式控制流量的多功能閥門,適用于管道需控制流量和壓力的管路中,保持預定流量不變,將過大流量限制在一個預定值,并將上游高壓適當減低,即使主閥上游的壓力發生變化,也不會影響到下游的流量,該閥一該常規節流閥使孔板或純機械地減少流域面積的原理,利用相關導閥,大限度地減少能量在節流過程中的損失。如遇緊急情況流量控制閥可以安全截止流量,避免損失?刂旗`敏度高,安全可靠,調試方便,使用壽命長。
產品名稱: | 流量控制閥 | 產品型號: | 400X |
公稱通徑: | DN20~DN800 | 結構形式: | 先導式 |
工作壓力: | 1.0MPa~1.6MPa~2.5MPa | 連接方式: | 法蘭 |
適用溫度: | -0ºC~+80ºC | 功能作用: | 流量控制 |
閥體材質: | 鑄鐵、鑄鋼、不銹鋼、黃銅 | 制造標準: | 國標GB、德國DIN、美國API、ANSI |
適用介質: | 水、污水 | 生產廠家: | 浙江嵐勝閥門有限公司 |
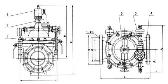
400X流量控制閥由主閥、流量調節閥、針閥、導閥、球閥、微形過濾器和壓力表組成水力控制接管系統。利用水力自動操作,控制和調節主閥開度,使通過主閥的流量保持不變。廣泛用于高層建筑、生活區等供水管網系統及城市供水工程。
當閥門從進口端給水時,水流過針閥進入主閥控制室,并經過導閥、球閥流出主閥控制室到出口,此時主閥處于全開或浮動狀態。調定主閥上部的流量調節閥,可為主閥設定一定開度。調節針閥開度和調節導閥彈簧壓力,即可使主閥開度保持在設定開度,并在壓力變化時導閥進行自動調節,保持流量不變。
公稱壓(Mpa) | 殼體試驗壓力(MPa) | 密封試驗壓力(MPa) | 出口可調壓力(MPa) | 壓力特性 | 流量特性 | 適用介質 | 介質溫度(℃) |
1.0 | 1.5 | 1.1 | 0.09-0.8 | P2×8% | P2×15% | 水 | 0-80 |
1.6 | 2.4 | 1.76 | 0.10-1.2 | P2×10% | P2×20% | ||
2.5 | 3.75 | 2.75 | 0.15-1.6 | P2×12% | P2×25% |
零件名稱 | 零件材料 |
閥體閥蓋 | WCB |
閥座閥盤 | 銅合金 |
密封圈 O型圈 | 丁腈橡膠 |
閥桿 | 2Cr13 |
彈簧 | 50CrVA |
針型閥 | 銅合金 |
球閥 | 銅合金 |
浮球閥 | 銅合金 |
微型過濾器 | 不銹鋼 |

DN | L | A | A1 | H | H1 | F | D | D1 | D2 | ||||||
mm | mm | mm | mm | mm | mm | PN1.0 | PN1.6 | PN2.5 | PN1.0 | PN1.6 | PN2.5 | PN1.0 | PN1.6 | PN2.5 | |
20 | 180 | 292 | 136 | 342 | 247 | 116 | 105 | 105 | 105 | 75 | 75 | 75 | 58 | 58 | 56 |
25 | 180 | 292 | 136 | 342 | 247 | 116 | 115 | 115 | 115 | 85 | 85 | 85 | 68 | 68 | 65 |
32 | 180 | 292 | 136 | 342 | 247 | 116 | 140 | 140 | 140 | 100 | 100 | 100 | 78 | 78 | 76 |
40 | 240 | 330 | 155 | 395 | 278 | 170 | 150 | 150 | 150 | 110 | 110 | 110 | 88 | 88 | 84 |
50 | 240 | 330 | 155 | 395 | 278 | 170 | 165 | 165 | 165 | 125 | 125 | 125 | 102 | 102 | 99 |
65 | 250 | 350 | 165 | 405 | 298 | 180 | 185 | 185 | 185 | 145 | 145 | 145 | 122 | 122 | 118 |
80 | 285 | 365 | 175 | 430 | 313 | 210 | 200 | 200 | 200 | 160 | 160 | 160 | 133 | 133 | 132 |
100 | 360 | 410 | 195 | 510 | 350 | 275 | 220 | 220 | 235 | 180 | 180 | 190 | 158 | 158 | 156 |
125 | 400 | 455 | 220 | 560 | 365 | 310 | 250 | 250 | 270 | 210 | 210 | 220 | 184 | 184 | 184 |
150 | 455 | 475 | 230 | 585 | 420 | 355 | 285 | 285 | 300 | 240 | 240 | 250 | 212 | 212 | 211 |
200 | 585 | 530 | 255 | 675 | 450 | 460 | 340 | 340 | 360 | 295 | 295 | 310 | 268 | 268 | 274 |
250 | 650 | 623 | 300 | 730 | 470 | 500 | 395 | 405 | 425 | 350 | 355 | 370 | 320 | 320 | 330 |
300 | 800 | 700 | 340 | 760 | 490 | 580 | 445 | 460 | 485 | 400 | 410 | 430 | 370 | 370 | 389 |
350 | 860 | 840 | 415 | 840 | 526 | 640 | 505 | 520 | 555 | 460 | 470 | 490 | 430 | 430 | 448 |
400 | 960 | 880 | 430 | 910 | 570 | 715 | 565 | 580 | 620 | 515 | 525 | 550 | 482 | 482 | 503 |
450 | 1075 | 930 | 460 | 1030 | 610 | 780 | 615 | 640 | 670 | 565 | 585 | 600 | 532 | 550 | 548 |
500 | 1075 | 980 | 490 | 1135 | 665 | 830 | 670 | 715 | 730 | 620 | 650 | 660 | 585 | 585 | 609 |
600 | 1230 | 1060 | 530 | 1270 | 725 | 920 | 780 | 840 | 845 | 725 | 770 | 770 | 685 | 685 | 720 |
700 | 1650 | 1130 | 560 | 1460 | 865 | 980 | 895 | 910 | 960 | 840 | 840 | 875 | 800 | 800 | 820 |
800 | 1750 | 1250 | 610 | 1640 | 975 | 1050 | 1015 | 1025 | 1085 | 950 | 950 | 990 | 905 | 905 | 928 |