Q46F不銹鋼四通球閥又稱為雙向四通轉閥,在電站系統中稱為雙向供水轉閥,適用于液體、氣體、粉塵、漿料及含固體顆粒介質的循環系統。如:電站機組冷卻器正反向循 環供水系統。傳統工藝配管方式實現冷卻正反循環供水,該裝置所占空間大、成本高、操作頻瑣(每次切換需操作四個閥門),正向供水時閥1、3開啟,閥2、4關閉:反向供水時閥2、4開啟,閥1、3關閉。采用四通球閥替代該工藝管匯和閥組的工作原理,簡化程序、方便操作、降低成本、便于控制、同步性好。四通球閥只需操作扳手或執行機構將球體轉動90°,即 可同時對兩種介質的流向進行切換,從而實現一閥多用的效果。
產品名稱: | 不銹鋼四通球閥 | 產品型號: | Q46F |
公稱通徑: | DN15~DN100 | 結構形式: | 球形 |
公稱壓力: | 1.6Mpa~4.0Mpa | 連接方式: | 法蘭、螺紋 |
適用溫度: | ≤425ºC | 驅動方式: | 手動、蝸輪、電動、氣動 |
閥體材質: | 鑄鋼、不銹鋼 | 制造標準: | 國標GB、德國DIN、美國API、ANSI、ISO |
適用介質: | 食品、水、油、氣體、液體 | 生產廠家: | 浙江嵐勝閥門有限公司 |
1、針對電力系統冷卻器正反供水特定工藝過程設計,功能適用、可靠;
2、頂裝式固定球四面座閥芯結構密封性能好、耐沙粒磨損、使用壽命長;
3、電動、氣動操作(必要時可切換到手動操作);
4、四通球閥便于控制控制箱與閥門間以及與上位機之間有良好的信息通道和操作介面:并可按工藝要求實現在一定時間間隔正反供水的自動切換。

公稱壓力 | 常溫最大 | 殼體試 | 氣密封 | 高壓密封 |
1.6 | 1.6 | 2.4 | 0.6 | 1.76 |
2.5 | 2.5 | 3.8 | 0.6 | 2.75 |
4.0 | 4.0 | 6.0 | 0.6 | 4.4 |
C1aSSl50 | 2.0 | 3.0 | 0.6 | 2.2 |
閥體\閥蓋 | GB | WCB | ZGlCrl8Ni9Ti | ZGOCfl8Nil2M02Ti | |||
ASTM | WCB | CF8 | CF8M | ||||
球體 | GB | 2Cfl3 | 1Cfl8Ni9Ti | 0Cfl8Ni12M02Ti | |||
ASTM | 420 | 304 | 316 | ||||
閥桿 | GB | 2Crl3 | 1Crl8Ni9Ti | 0Crl8Ni12M02Ti | |||
ASTM | 420 | 304 | 316 | ||||
閥座 | GB | | 對位聚苯 | 聚四氟乙烯 | 對位聚苯 | | 對位聚苯 |
ASTM | |||||||
填料 | GB | 柔性石墨 | 柔性石墨 | 柔性石墨 | |||
ASTM | |||||||
螺栓 | GB | 35 | 0Crl8Ni9 | 0Crl8Ni9 | |||
ASTM | A193B7 | A320-B8 | A320-B8 | ||||
螺母 | GB | 45 | 0Cfl8Ni9 | 0Crl8Ni9 | |||
ASTM | A1942H | A194-8 | A194-8 | ||||

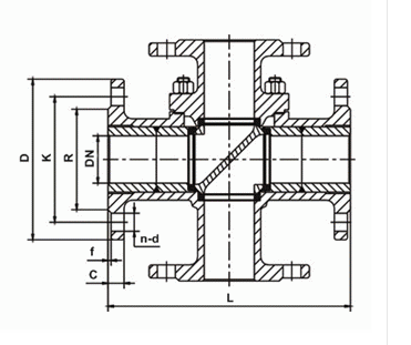
公稱壓力 | 公稱通徑 | 尺 寸(mm) | |||||||||
L | L0 | D | K | d | Y | b | z-do | Hw | Hd | ||
1.6MPa | 50 | 260 | 130 | 165 | 125 | 100 | 16 | 4-ф18 | 205 | 265 | |
65 | 320 | 160 | 185 | 145 | 120 | 18 | 4-ф18 | 245 | 295 | ||
80 | 320 | 160 | 200 | 160 | 135 | 20 | 8-ф18 | 305 | 345 | ||
100 | 370 | 185 | 220 | 180 | 155 | 20 | 8-ф18 | 340 | 420 | ||
125 | 510 | 255 | 250 | 210 | 185 | 22 | 8-ф18 | 425 | 465 | ||
150 | 510 | 255 | 285 | 240 | 2"0 | 24 | 8-ф23 | 450 | 505 | ||
200 | 580 | 290 | 340 | 295 | 265 | 26 | 12-ф23 | 480 | 525 | ||
250 | 670 | 335 | 405 | 355 | 320 | 30 | 12-ф25 | 530 | 565 | ||
300 | 760 | 380 | 460 | 410 | 375 | 30 | 12-ф25 | 585 | 630 | ||
350 | 850 | 425 | 520 | 470 | 435 | 34 | 16-ф25 | 625 | 675 | ||
400 | 980 | 490 | 580 | 525 | 485 | 36 | 16-ф30 | 670 | 710 | ||
450 | 1080 | 540 | 640 | 585 | 545 | 40 | 20-ф30 | 705 | 770 | ||
500 | 1220 | 610 | 715 | 650 | 608 | 44 | 20-ф34 | 765 | 825 | ||
600 | 1360 | 680 | 840 | 770 | 718 | 48 | 20-ф41 | 840 | 945 | ||
700 | 1750 | 875 | 910 | 840 | 788 | 50 | 24-ф41 | 1050 | 1110 | ||
800 | 1850 | 925 | 1025 | 950 | 898 | 52 | 24-ф41 | 1125 | 1220 | ||
900 | 2050 | 1025 | 1125 | 1050 | 998 | 54 | 28-ф41 | 1260 | 1315 | ||
1000 | 2150 | 1075 | 1255 | 1170 | 1110 | 56 | 28-ф48 | 1325 | 1385 | ||
1200 | 2450 | 1225 | 1485 | 1390 | 1325 | 58 | 32-ф54 | 1395 | 1450 | ||
2.5MPa | 50 | 260 | 130 | 165 | 125 | 100 | 20 | 4-ф18 | 205 | 265 | |
65 | 320 | 160 | 185 | 145 | 120 | 22 | 8-ф18 | 245 | 295 | ||
80 | 320 | 160 | 200 | 160 | 135 | 22 | 8-ф18 | 305 | 345 | ||
100 | 370 | 185 | 230 | 190 | 160 | 24 | 8-ф23 | 340 | 420 | ||
125 | 510 | 255 | 270 | 220 | 188 | 28 | 8-ф25 | 405 | 465 | ||
150 | 510 | 255 | 300 | 250 | 218 | 30 | 8-ф25 | 450 | 505 | ||
200 | 580 | 290 | 360 | 310 | 278 | 34 | 12-ф25 | 480 | 525 | ||
250 | 670 | 335 | 425 | 370 | 332 | 36 | 12-ф30 | 530 | 565 | ||
300 | 760 | 380 | 485 | 430 | 390 | 40 | 16-ф30 | 585 | 630 | ||
350 | 850 | 425 | 555 | 490 | 448 | 44 | 16-ф34 | 625 | 675 | ||
400 | 980 | 490 | 620 | 550 | 505 | 48 | 16-ф34 | 670 | 710 | ||
450 | 1080 | 540 | 670 | 600 | 555 | 50 | 20-ф34 | 705 | 770 | ||
500 | 1220 | 610 | 730 | 660 | 610 | 52 | 20-ф41 | 765 | 825 | ||
600 | 1360 | 680 | 845 | 770 | 718 | 56 | 20-041 | 840 | 945 | ||
700 | 1750 | 875 | 960 | 875 | 815 | 60 | 24-ф48 | 1050 | 1110 | ||
800 | 1850 | 925 | 1085 | 990 | 930 | 64 | 24-ф48 | 1125 | 1220 | ||
900 | 2050 | 1025 | 1185 | 1090 | 1025 | 66 | 28-ф54 | 1260 | 1315 | ||
1000 | 2150 | 1075 | 1320 | 1210 | 1140 | 68 | 28-ф58 | 1325 | 1385 | ||
1200 | 2450 | 1225 | 1520 | 1420 | 1350 | 72 | 32-ф58 | 1395 | 1450 | ||
| 50 | 260 | 130 | 165 | 125 | 100 | 88 | 20 | 8-ф18 | 245 | 285 |
65 | 320 | 160 | 185 | 145 | 120 | 110 | 22 | 8-ф18 | 265 | 315 | |
80 | 320 | 160 | 200 | 160 | 135 | 121 | 22 | 8-ф18 | 320 | 365 | |
100 | 370 | 185 | 235 | 190 | 160 | 150 | 24 | 8-ф23 | 355 | 465 | |
125 | 510 | 255 | 270 | 220 | 188 | 176 | 28 | 8-ф25 | 425 | 495 | |
150 | 510 | 255 | 300 | 250 | 218 | 204 | 30 | 8-ф25 | 470 | 535 | |
200 | 580 | 290 | 375 | 320 | 282 | 260 | 38 | 12-ф30 | 480 | 565 | |
250 | 670 | 335 | 450 | 385 | 345 | 313 | 42 | 12-ф34 | 530 | 605 | |
300 | 760 | 380 | 515 | 450 | 408 | 364 | 46 | 16-ф34 | 585 | 675 | |
350 | 850 | 425 | 580 | 510 | 465 | 422 | 52 | 16-ф34 | 625 | 705 | |
400 | 980 | 490 | 660 | 585 | 535 | 474 | 58 | 16-ф41 | 670 | 745 | |
450 | 1080 | 540 | 685 | 610 | 560 | 524 | 60 | 20-ф41 | 705 | 795 | |
500 | 1220 | 610 | 755 | 670 | 612 | 576 | 62 | 20-ф48 | 765 | 855 | |
600 | 1360 | 680 | 890 | 795 | 730 | 678 | 62 | 20-ф54 | 840 | 985 | |
C1aSS150 | 2" | 260 | 130 | 152 | 120.5 | 92 | 16 | 傘φ19 | 205 | 265 | |
2 1/2" | 320 | 160 | 178 | 139.5 | 105 | 18 | 4-ф19 | 245 | 295 | ||
3" | 320 | 160 | 190 | 152.5 | 127 | 19 | 4-ф19 | 305 | 345 | ||
4" | 370 | 185 | 229 | 190.5 | 157 | 24 | 8-ф19 | 340 | 420 | ||
5" | 510 | 255 | 254 | 216 | 186 | 24 | 8-ф22 | 425 | 465 | ||
6" | 510 | 255 | 279 | 241.5 | 216 | 26 | 8-ф22 | 450 | 505 | ||
8" | 580 | 290 | 343 | 298.5 | 270 | 29 | 8-ф22 | 530 | 525 | ||
10" | 670 | 335 | 406 | 362 | 324 | 31 | 12-ф25 | 630 | 565 | ||
12" | 760 | 380 | 483 | 432 | 381 | 32 | 12-ф25 | 680 | 630 | ||
14" | 850 | 425 | 533 | 476 | 413 | 35 | 12-ф29 | 625 | 675 | ||
16" | 980 | 490 | 597 | 540 | 470 | 37 | 16-ф29 | 670 | 710 | ||
18" | 1080 | 540 | 635 | 578 | 533 | 40 | 16-ф32 | 705 | 770 | ||
20" | 1220 | 610 | 699 | 635 | 584 | 43 | 20-ф32 | 765 | 825 | ||
24" | 1360 | 680 | 813 | 749.5 | 692 | 48 | 20。ф35 | 840 | 945 | ||
28" | 1750 | 875 | 927 | 864 | 800 | 71 | 28-ф35 | 1050 | 1110 | ||
32" | 1850 | 925 | 1060 | 978 | 914 | 81 | 28-ф41 | 1125 | 1220 | ||
36" | 2050 | 1025 | 1168 | 1086 | 1022 | 90 | 32-ф41 | 1260 | 1315 | ||
40" | 2150 | 1075 | 1289 | 1200 | 1124 | 90 | 36-ф41 | 1325 | 1385 | ||
48" | 2450 | 1225 | 1511 | 1422 | 1359 | 108 | 44-ф41 | 1395 | 1450 | ||