PQ240H,PQ240Y電液控偏心半球閥以電液推桿作動力源,通過雙向齒輪泵輸出壓力油,經油路集成塊的控制送至油缸,實現活塞往復運動,同時通過曲柄轉動閥軸、閥板作90°范圍旋轉,達到啟閉的目的。利用閥芯和閥座的密封是球面線接觸,靠三維偏心實現零泄漏,其中雙金屬,實現金屬球面環帶硬密封,防火防爆,非金屬彈性材料被嵌入金屬座中,閥座金屬面受到良好的保護,如果出現泄漏的情況,可將壓緊套擰掉,調整或更換閥座,閥門仍可繼續使用,避免了現行眾多閥門密封失效后整臺報廢的弊端,特別適用于鋼鐵行業的煤粉噴吹,氧化鋁行業的礦漿、母液和氧化鋁粉輸送,電力行業的水力(或干)除灰,石化行業,燃氣行業等場合。
產品名稱: | 電液控偏心半球閥 | 產品型號: | PQ240H、PQ240Y |
公稱通徑: | DN15~DN3000 | 結構形式: | 球形 |
公稱壓力: | 1.6Mpa~10.0Mpa | 連接方式: | 法蘭 |
適用溫度: | -20ºC~+180ºC~350ºC~550ºC | 驅動方式: | 手動、蝸輪、電動、氣動 |
閥體材質: | 碳鋼、鑄鋼、WCB、不銹鋼 | 制造標準: | 國標GB、德國DIN、美國API、ANSI |
適用介質: | 水、油、漿液、污水、氣體、液體 | 生產廠家: | 浙江嵐勝閥門有限公司 |
1. 閥座設外臺階與閥體內臺階相配合的結構,防止了球體與閥座發生卡阻或脫離現象。
2. 利用偏心閥體,偏心球體和閥座,閥桿作旋轉運氣時,在共同軌跡自動定心,關閉過程中越關越緊,完全達到良好密封的目的,所以偏心半球閥密性能安全可靠;閥門啟閉時,球體與閥座完全脫開,消除了密封副的磨損,克服了傳統球閥閥座與球體密封面始終磨損的問題。
3. 非金屬彈性材料被 于金屬座中,閥座金屬密封面受到良好的保護。
4. 半球切口的球體與閥座之間有剪切作用,特適用于含維,微小固體顆粒,漿等介質。
5. 全開時流通能力大,壓力損失小,且介質不會沉積在閥體中腔內。
6. 本產品具有精確的調節和可靠定位功能,流量特性為近似百分比,可調范圍大,最大調比為100;1。
設計制造:GB/T26146
法蘭連接:GB/T17241.6998、GB/T9115(鋼制)
結構長度:GB12221
壓力試驗:GB/T13927的規定
公稱壓力(Mpa) | 0.6 | 1.0 | 1.6 | 2.5 | 4.0 |
公稱通經(mm) | 40-600 | 40-600 | 40-600 | 40-600 | 40-600 |
密封試驗壓力(Mpa) | 0.66 | 1.1 | 1.76 | 2.75 | 4.4 |
殼體試驗壓力(Mpa) | 0.9 | 1.5 | 2.4 | 3.75 | 6.0 |
適用溫度(℃) | -29~300、-29~425、-29~540 | ||||
適用介質 | 清水、海水、污水、酸堿等液體、料漿、蒸汽、燃氣、油類 | ||||
驅動方式 | 手動、電動、氣動 | ||||
連接形式 | 法蘭連接、對夾連接 | ||||
安裝方式 | 立式安裝、臥式安裝 | ||||
序號 | 名稱及規格 | 材料 |
1 | 底蓋 | 25 |
2 | 內六角螺栓 | 35CrMo |
3 | 墊片 | 柔性石墨 |
4 | 閥體 | WCB |
5 | 下閥桿 | 2Cr13 |
6 | 球體 | WCB |
7 | 滑動軸承 | 銅基合金或不銹鋼 |
8 | 墊片 | 柔性石墨 |
9 | 閥座+堆焊合金鋼 | 25 |
10 | 閥座支承 | 25 |
11 | 內六角螺栓 | 35CrMo |
12 | 鍵 | 40Cr |
13 | 上閥桿 | 2Cr13 |
14 | 滑動軸承 | 銅基合金或不銹鋼 |
15 | 填料墊 | 2Cr13 |
16 | 填料 | 柔性石墨 |
17 | 填料壓蓋 | WCB |
18 | 支架 | WCB |
19 | 螺柱 | 35CrMo |
20 | 螺母 | 45 |
21 | 螺柱 | 35CrMo |
22 | 螺母 | 45 |
23 | 螺柱 | 35CrMo |
24 | 螺母 | 45 |
25 | 鍵 | 40Cr |
26 | 電液操作器 | 組合件 |
閥體 閥蓋 | GB | WCB | ZG1Cr18Ni9Ti | ZG0Cr18Ni12Mo2Ti | ZG15Cr1Mo1V | |||
ASTM | WCB | CF8 | CF8M | WC9 | ||||
球體 | GB | ZG2Cr13 | ZG1Cr18Ni9Ti 表面特殊處理 | ZG0Cr18Ni12Mo2Ti 表面特殊處理 | ZG15Cr1Mo1V 表面特殊處理 | |||
ASTM | CA15 | CF8+HF | CF8M+HF | WC9+HF | ||||
閥桿 | GB | 2Cr13 | 1Cr18Ni9Ti | 0Cr18Ni12Mo2Ti | 25Cr2Mo2V | |||
ASTM | 420 | 304 | 316 | F22a | ||||
閥座 | GB | PTFE | 2Cr13 | PTFE | 1Cr18Ni9Ti | PTFE | 0Cr18Ni12Mo2Ti | D517 |
ASTM | PTFE | 420 | PTFE | 304 | PTFE | 316 | HF | |
填料 | GB | PTFE | 柔性石墨 | PTFE | 柔性石墨 | PTFE | 柔性石墨 | 柔性石墨 |
ASTM | PTFE | 柔性石墨 | PTFE | 柔性石墨 | PTFE | 柔性石墨 | 柔性石墨 | |
螺栓 | GB | 35 | 0Cr18Ni9 | 0Cr18Ni9 | 15Cr1Mo1V | |||
ASTM | A193 B7 | A320-B8 | A320-B8 | A193 B16 | ||||
螺母 | GB | 45 | 0Cr18Ni9 | 0Cr18Ni9 | 20CrMo | |||
ASTM | A194 2H | A194-8 | A194-8 | A194-4 | ||||

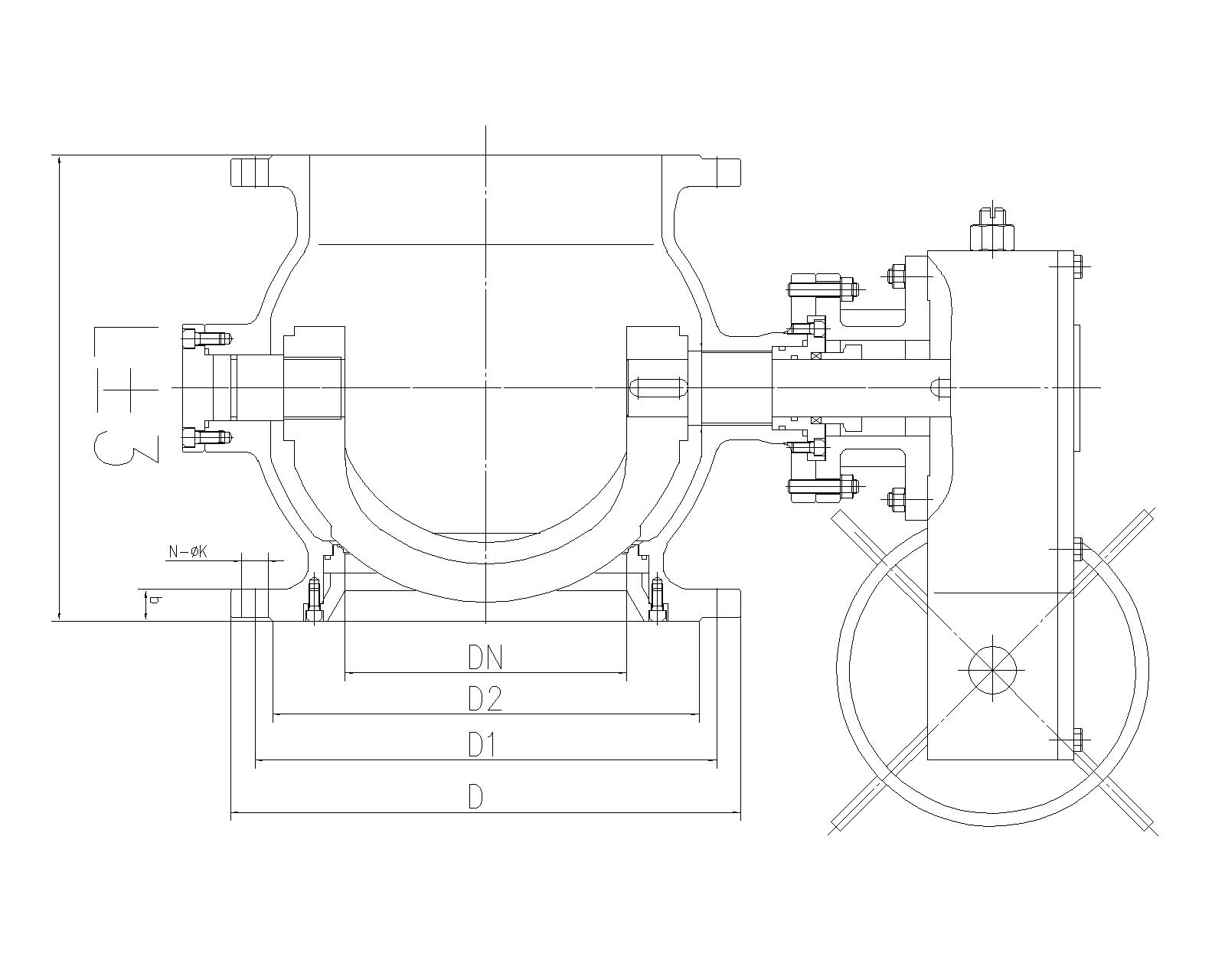
公稱壓力 PN | 公稱通徑 DN | 尺寸[mm] | |||||||||
L | D | D1 | D2 | b | Z-Φd | Ws | Hs | Hw | Hd | ||
1.0Mpa | 50 | 124 | 160 | 125 | 100 | 16 | 4-Φ18 | 230 | 164 | 260 | 310 |
65 | 145 | 180 | 145 | 120 | 18 | 4-Φ18 | 250 | 180 | 275 | 330 | |
80 | 165 | 195 | 160 | 135 | 20 | 4-Φ18 | 300 | 200 | 300 | 360 | |
100 | 194 | 215 | 180 | 155 | 20 | 8-Φ18 | 320 | 235 | 335 | 390 | |
125 | 210 | 245 | 210 | 185 | 22 | 8-Φ18 | 400 | 260 | 355 | 405 | |
150 | 229 | 280 | 240 | 210 | 24 | 8-Φ18 | 500 | 280 | 375 | 440 | |
200 | 243 | 335 | 295 | 265 | 24 | 8-Φ23 | 800 | 320 | 410 | 470 | |
250 | 297 | 390 | 350 | 320 | 26 | 12-Φ23 | 1000 | 355 | 485 | 550 | |
300 | 338 | 440 | 400 | 368 | 26 | 12-Φ23 | 1200 | 400 | 530 | 595 | |
350 | 400 | 500 | 460 | 428 | 28 | 16-Φ23 | 580 | 650 | |||
400 | 420 | 565 | 515 | 482 | 28 | 16-Φ25 | 650 | 730 | |||
450 | 502 | 615 | 565 | 532 | 30 | 20-Φ25 | 710 | 790 | |||
500 | 533 | 670 | 620 | 585 | 30 | 20-Φ25 | 760 | 840 | |||
600 | 800 | 780 | 725 | 685 | 34 | 20-Φ30 | 870 | 960 | |||
700 | 900 | 895 | 840 | 800 | 38 | 24-Φ30 | 910 | 1080 | |||
800 | 1000 | 1010 | 950 | 905 | 42 | 24-Φ34 | 935 | 1125 | |||
公稱壓力 PN | 公稱通徑 DN | 尺寸[mm] | |||||||||
L | D | D1 | D2 | b | Z-Φd | Ws | Hs | Hw | Hd | ||
1.6Mpa | 50 | 124 | 165 | 125 | 100 | 16 | 4-Φ18 | 230 | 164 | 260 | 310 |
65 | 145 | 185 | 145 | 120 | 18 | 4-Φ18 | 250 | 180 | 275 | 330 | |
80 | 165 | 200 | 160 | 135 | 20 | 8-Φ18 | 300 | 200 | 300 | 360 | |
100 | 194 | 220 | 180 | 155 | 20 | 8-Φ18 | 320 | 235 | 335 | 390 | |
125 | 210 | 250 | 210 | 185 | 22 | 8-Φ18 | 400 | 260 | 355 | 405 | |
150 | 229 | 285 | 240 | 210 | 24 | 8-Φ23 | 500 | 280 | 375 | 440 | |
200 | 243 | 340 | 295 | 265 | 26 | 12-Φ23 | 800 | 320 | 410 | 470 | |
250 | 297 | 405 | 355 | 320 | 30 | 12-Φ25 | 1000 | 355 | 485 | 550 | |
300 | 338 | 460 | 410 | 375 | 30 | 12-Φ25 | 1200 | 400 | 530 | 595 | |
350 | 400 | 520 | 470 | 435 | 34 | 16-Φ25 | 580 | 650 | |||
400 | 420 | 580 | 525 | 485 | 36 | 16-Φ30 | 650 | 730 | |||
450 | 502 | 640 | 585 | 545 | 40 | 20-Φ30 | 710 | 790 | |||
500 | 533 | 715 | 650 | 608 | 44 | 20-Φ34 | 760 | 840 | |||
600 | 800 | 840 | 770 | 718 | 48 | 20-Φ41 | 870 | 960 | |||
700 | 900 | 910 | 840 | 788 | 50 | 24-Φ41 | 910 | 1080 | |||
800 | 1000 | 1025 | 950 | 898 | 52 | 24-Φ41 | 935 | 1125 | |||
公稱壓力 PN | 公稱通徑 DN | 尺寸[mm] | ||||||||||
L | D | D1 | D2 | D6 | b | Z-Φd | Ws | Hs | Hw | Hd | ||
2.5 Mpa | 50 | 124 | 165 | 125 | 100 | 20 | 4-Φ18 | 230 | 164 | 260 | 310 | |
65 | 145 | 185 | 145 | 120 | 22 | 8-Φ18 | 250 | 180 | 275 | 330 | ||
80 | 165 | 200 | 160 | 135 | 22 | 8-Φ18 | 300 | 200 | 300 | 360 | ||
100 | 194 | 230 | 190 | 160 | 24 | 8-Φ23 | 320 | 235 | 335 | 390 | ||
125 | 210 | 270 | 220 | 188 | 28 | 8-Φ25 | 400 | 260 | 355 | 405 | ||
150 | 229 | 300 | 250 | 218 | 30 | 8-Φ25 | 500 | 280 | 375 | 440 | ||
200 | 243 | 360 | 310 | 278 | 34 | 12-Φ25 | 800 | 320 | 410 | 470 | ||
250 | 297 | 425 | 370 | 332 | 36 | 12-Φ30 | 1000 | 355 | 485 | 550 | ||
300 | 338 | 485 | 430 | 390 | 40 | 16-Φ30 | 1200 | 400 | 530 | 595 | ||
350 | 400 | 555 | 490 | 448 | 44 | 16-Φ34 | 580 | 650 | ||||
400 | 420 | 620 | 550 | 505 | 48 | 16-Φ34 | 650 | 730 | ||||
450 | 502 | 670 | 600 | 555 | 50 | 20-Φ34 | 710 | 790 | ||||
500 | 533 | 730 | 660 | 610 | 52 | 20-Φ41 | 760 | 840 | ||||
600 | 800 | 845 | 770 | 718 | 56 | 20-Φ41 | 870 | 960 | ||||
700 | 900 | 960 | 875 | 815 | 60 | 24-Φ48 | 990 | 1080 | ||||
800 | 1000 | 1085 | 990 | 930 | 64 | 24-Φ48 | 935 | 1125 | ||||
公稱壓力 PN | 公稱通徑 DN | 尺寸[mm] | ||||||||||
L | D | D1 | D2 | D6 | b | Z-Φd | Ws | Hs | Hw | Hd | ||
4.0 Mpa | 50 | 124 | 165 | 125 | 100 | 88 | 20 | 4-Φ18 | 250 | 180 | 275 | 325 |
65 | 145 | 185 | 145 | 120 | 110 | 22 | 8-Φ18 | 300 | 200 | 290 | 345 | |
80 | 165 | 200 | 160 | 135 | 121 | 22 | 8-Φ18 | 320 | 220 | 315 | 375 | |
100 | 194 | 235 | 190 | 160 | 150 | 24 | 8-Φ23 | 400 | 260 | 350 | 405 | |
125 | 210 | 270 | 220 | 188 | 176 | 28 | 8-Φ25 | 500 | 290 | 370 | 420 | |
150 | 229 | 300 | 250 | 218 | 204 | 30 | 8-Φ25 | 800 | 310 | 390 | 455 | |
200 | 245 | 375 | 320 | 282 | 260 | 38 | 12-Φ30 | 1000 | 350 | 435 | 495 | |
250 | 297 | 450 | 385 | 345 | 313 | 42 | 12-Φ34 | 1200 | 390 | 510 | 575 | |
300 | 338 | 515 | 450 | 408 | 364 | 46 | 16-Φ34 | 555 | 620 | |||
350 | 400 | 580 | 510 | 465 | 422 | 52 | 16-Φ34 | 605 | 675 | |||
400 | 420 | 660 | 585 | 535 | 474 | 58 | 16-Φ41 | 675 | 755 | |||
450 | 502 | 685 | 610 | 560 | 524 | 60 | 20-Φ41 | 735 | 815 | |||
500 | 533 | 755 | 670 | 612 | 576 | 62 | 20-Φ48 | 785 | 870 | |||