GUD/GUQ/GU高真空球閥在設計上滿足了高真空和超高真空的要求,改變了球閥不能滿足高真空的現狀。閥門的密封結構設計獨特,漏率可達到<1×10^-10Pa.M3/S。此外連接方式多樣,包括法蘭、螺紋、快卸法蘭和活接等,以滿足不同安裝需求。該閥門還具有多種型號和規格,以適應不同應用場景的需求,該閥門的可以采用驅動方式為電動,氣動,手動,來實現閥門的開、關或中間位置的控制,適用于真空、乳制品、酒業、生物工程、食品、制藥、飲料、化妝品及化工領域 。
產品名稱: | 高真空球閥 | 產品型號: | GUD/GUQ/GU |
公稱通徑: | DN10~DN100 | 結構形式: | 球形 |
公稱壓力: | 1.6Mpa~6.4Mpa | 連接方式: | 法蘭、螺紋、快卸法蘭、活接 |
適用溫度: | ≤180ºC | 驅動方式: | 手動、氣動、電動 |
閥體材質: | 鑄鋼、不銹鋼 | 制造標準: | 國標GB、德國DIN、美國API、ANSI |
適用介質: | 空氣、氣體、油、液體 | 生產廠家: | 浙江嵐勝閥門有限公司 |
閥體、閥蓋、閥桿:不銹鋼
密封件:四氟乙烯、丁腈橡膠、氟橡膠、PPL。

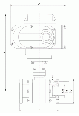
Model | DN | D | Do | H | E | L | n-φc |
GUD-10(F) | 10 | 55 | 40 | 153 | 157 | 84 | 4-φ6.6 |
GUD-16(F) | 16 | 60 | 45 | 172 | 157 | 84 | 4-φ6.6 |
GUD-25(F) | 25 | 70 | 55 | 187 | 157 | 114 | 4-φ6.6 |
GUD-32(F) | 32 | 90 | 70 | 206 | 157 | 140 | 4-φ9 |
GUD-40(F) | 40 | 100 | 80 | 212 | 157 | 160 | 4-φ9 |
GUD-50(F) | 50 | 110 | 90 | 265 | 157 | 170 | 4-φ9 |
GUD-63(F) | 63 | 130 | 110 | 305 | 207 | 195 | 4-φ9 |
GUD-80(F) | 80 | 145 | 125 | 330 | 207 | 203 | 8-φ9 |
GUD-100(F) | 100 | 165 | 145 | 350 | 207 | 280 | 8-φ9 |

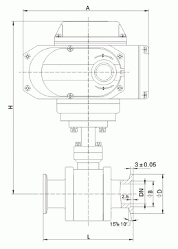
Model | DN | D1 | D | H | E | L |
GUD-10(KF) | 10 | 12.2 | 30 | 153 | 157 | 84 |
GUD-16(KF) | 16 | 17.2 | 30 | 172 | 157 | 84 |
GUD-25(KF) | 25 | 26.2 | 40 | 187 | 157 | 114 |
GUD-32(KF) | 32 | 34.2 | 55 | 206 | 157 | 140 |
GUD-40(KF) | 40 | 41.2 | 55 | 212 | 157 | 160 |
GUD-50(KF) | 50 | 52.2 | 75 | 265 | 157 | 170 |

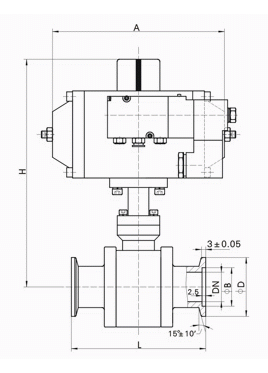
Model型號 | DN | D | Do | H | E | L | n-φc |
GUQ-10(F) | 10 | 55 | 40 | 153 | 105 | 84 | 4-φ6.6 |
GUQ-16(F) | 16 | 60 | 45 | 155 | 130 | 84 | 4-φ6.6 |
GUQ-25(F) | 25 | 70 | 55 | 163 | 165 | 114 | 4-φ6.6 |
GUQ-32(F) | 32 | 90 | 70 | 180 | 165 | 140 | 4-φ9 |
GUQ-40(F) | 40 | 100 | 80 | 186 | 190 | 160 | 4-φ9 |
GUQ-50(F) | 50 | 110 | 90 | 233 | 190 | 170 | 4-φ9 |
GUQ-63(F) | 63 | 130 | 110 | 272 | 250 | 195 | 4-φ9 |
GUQ-80(F) | 80 | 145 | 125 | 351 | 250 | 203 | 8-φ9 |
GUQ-100(F) | 100 | 165 | 145 | 370 | 280 | 280 | 8-φ9 |

Model型號 | DN | D1 | D | H | E | L |
GUQ-10(KF) | 10 | 12.2 | 30 | 153 | 104 | 84 |
GUQ-16(KF) | 16 | 17.2 | 30 | 155 | 104 | 84 |
GUQ-25(KF) | 25 | 26.2 | 40 | 163 | 140 | 114 |
GUQ-32(KF) | 32 | 34.2 | 55 | 180 | 140 | 140 |
GUQ-40(KF) | 40 | 41.2 | 55 | 186 | 140 | 160 |
GUQ-50(KF) | 50 | 52.2 | 75 | 233 | 164 | 170 |

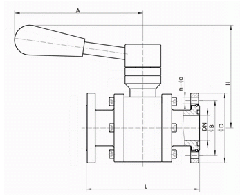
Model | DN | D | Do | H | E | L | n-φc |
GU-10(F) | 10 | 55 | 40 | 52 | 105 | 84 | 4-φ6.6 |
GU-16(F) | 16 | 60 | 45 | 64 | 130 | 84 | 4-φ6.6 |
GU-25(F) | 25 | 70 | 55 | 83 | 165 | 114 | 4-φ6.6 |
GU-32(F) | 32 | 90 | 70 | 89 | 165 | 140 | 4-φ9 |
GU-40(F) | 40 | 100 | 80 | 100 | 190 | 160 | 4-φ9 |
GU-50(F) | 50 | 110 | 90 | 125 | 190 | 170 | 4-φ9 |
GU-63(F) | 63 | 130 | 110 | 150 | 250 | 195 | 4-φ9 |
GU-80(F) | 80 | 145 | 125 | 161 | 250 | 220 | 8-φ9 |
GU-100(F) | 100 | 165 | 145 | 180 | 280 | 280 | 8-φ9 |

Model | DN | D1 | D | H | E | L |
GU-10(KF) | 10 | 12.2 | 30 | 52 | 105 | 84 |
GU-16(KF) | 16 | 17.2 | 30 | 64 | 130 | 84 |
GU-25(KF) | 25 | 26.2 | 40 | 83 | 165 | 114 |
GU-32(KF) | 32 | 34.2 | 55 | 89 | 165 | 140 |
GU-40(KF) | 40 | 41.2 | 55 | 100 | 190 | 160 |
GU-50(KF) | 50 | 52.2 | 75 | 125 | 190 | 170 |