D343H雙向硬碰硬三偏心蝶閥采用一個“U”型不銹鋼密封圈,該精密的彈性密封圈與經過拋光的蝶板三維偏心接觸。解決了傳統偏心蝶閥在啟閉0°~10°瞬間密封面仍處于滑動接觸摩擦的弊病,實現蝶板在開啟瞬間密封面即分離,關閉接觸即密封的效果,達到延長使用壽命、“斜置橢圓蝶板徑向動平衡密封系統”可靠地實現了蝶閥密封零泄漏。因此被廣泛地應用到介質溫度≤550℃的冶金、電力、石油、化工、空氣、煤氣、可燃氣體以及給排水等腐蝕性介質的管道上,是調節流量和截斷流體的理想佳裝置。
產品名稱: | 雙向硬碰硬三偏心蝶閥 | 產品型號: | D343H |
公稱通徑: | DN50~DN1400 | 閥座密封: | 堆焊合金、司太立合金 |
公稱壓力: | 1.0Mpa~4.0MPa | 連接方式: | 法蘭式 |
適用溫度: | -20ºC~+550ºC | 驅動方式: | 手動、蝸輪、電動、氣動 |
閥體材質: | 鑄鋼、不銹鋼 | 制造標準: | 國標GB、德國DIN、美國API、ANSI |
適用介質: | 水、油、蒸汽、氣體、粉體、液體 | 生產廠家: | 浙江嵐勝閥門有限公司 |
1、該蝶閥結構簡單、緊湊、重量輕、易于安裝和拆卸、維修方便;
2、本蝶閥采用不銹鋼“U”型密封圈,具有一定的彈性無論在高溫、低溫的情況下,它與蝶板均具有優良的密封性;
3、本蝶閥的三維偏心距,經過嚴格的計算,“U”型密封圈與蝶板幾乎無磨擦,使用壽命長,并具有越關越緊的功能;
4、蝶板密封面采用堆焊鈷基硬質合金,密封面耐磨損,使用壽命長;
5、本蝶閥結構獨特,“開關”僅需轉動閥桿90°即可完成。操作靈活、方便、省力、不受介質壓力的高低影響,密封性能可靠;
6、耐高溫、耐低溫、耐腐蝕性。
設計標準 :GB/T12238-1989
結構長度:GB/T12221-1989
壓力試驗:GB/T13927-1992;JB/T9092-1999
零件名稱 | 材料 |
閥體 | 鑄鐵、鑄鋼、不銹鋼、鉻鉬鋼、合金鋼 |
蝶板 | 鑄鋼、合金鋼(鍍硬鉻)、不銹鋼、鉻鉬鋼 |
密封圈 | 不銹鋼、聚內脂、抗磨材料 |
閥桿 | 2Cr13、1Cr13不銹鋼、鉻鉬鋼 |
填料 | 柔性石墨 |
1、偏離管道中心
2、偏離密封面中心
3、傾斜的錐形
當閥門開啟時,蝶板與閥座在關閉時瞬間接觸,利用蝶板偏心1、偏心2迅速脫離閥座,降低了密封副的磨損,磨擦力矩小,開啟靈活。偏心錐面3,使閥門在開啟或關閉時蝶板能通過閥座內孔,實現接觸密封。另外,錐形蝶板的旋轉半徑大于密封副接觸位置的旋轉半徑,故蝶板在閥門關閉時將出現越關越緊,能夠實現自鎖,防止蝶板過位。

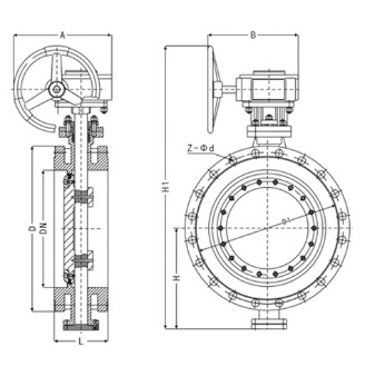
公稱通徑 | 結構長度 | 外形尺寸(參考值) | 連接尺寸(標準值) | 重量 (kg) | |||||||
H | H1 | A1 | B1 | PN0.6MPa | PN1.0MPa | ||||||
毫米 | 英寸 | L | D1 | Z-d | D1 | Z-d | |||||
50 | 2 | 43 | 112 | 625 | 245 | 72 | 110 | 4-14 | 125 | 4-18 | 11 |
65 | 21/2 | 46 | 115 | 625 | 245 | 72 | 130 | 4-14 | 145 | 4-18 | 12 |
80 | 3 | 49 | 120 | 645 | 245 | 72 | 150 | 4-18 | 160 | 8-18 | 14 |
100 | 4 | 56 | 138 | 675 | 355 | 92 | 170 | 4-18 | 180 | 8-18 | 16 |
125 | 5 | 64 | 164 | 715 | 355 | 92 | 200 | 8-18 | 210 | 8-18 | 26 |
150 | 6 | 70 | 175 | 800 | 355 | 92 | 225 | 8-18 | 240 | 8-22 | 28 |
200 | 8 | 71 | 208 | 850 | 250 | 170 | 280 | 8-18 | 295 | 8-22 | 44 |
250 | 10 | 76 | 243 | 925 | 250 | 170 | 335 | 12-18 | 350 | 12-22 | 68 |
300 | 12 | 83 | 283 | 1035 | 450 | 220 | 395 | 12-22 | 400 | 12-22 | 85 |
350 | 14 | 92 | 310 | 1070 | 450 | 220 | 445 | 12-22 | 460 | 16-22 | 121 |
400 | 16 | 102 | 340 | 1190 | 450 | 220 | 495 | 16-22 | 515 | 16-22 | 140 |
450 | 18 | 114 | 380 | 1250 | 650 | 280 | 550 | 16-22 | 565 | 20-26 | 190 |
500 | 20 | 127 | 410 | 1290 | 650 | 280 | 600 | 20-22 | 620 | 20-26 | 260 |
600 | 24 | 154 | 470 | 1455 | 850 | 380 | 705 | 20-26 | 725 | 20-30 | 380 |
700 | 28 | 165 | 550 | 1585 | 850 | 380 | 810 | 24-26 | 840 | 24-30 | 450 |
800 | 32 | 190 | 640 | 1700 | 1250 | 380 | 920 | 24-30 | 950 | 24-33 | 650 |
900 | 36 | 203 | 710 | 1965 | 1250 | 380 | 1020 | 24-30 | 1050 | 28-33 | 830 |
1000 | 40 | 216 | 770 | 2015 | 1250 | 380 | 1120 | 28-30 | 1160 | 28-36 | 1050 |
1200 | 48 | 254 | 890 | 2250 | 1250 | 380 | 1340 | 32-33 | 1380 | 32-39 | 1400 |
公稱通徑 | 結構長度 標準值 | 外形尺寸(參考值) | 連接尺寸(標準值) | 重量 (kg) | |||||||
H | H1 | A1 | B1 | PN1.6MPa | PN2.5MPa | ||||||
毫米 | 英寸 | L | D1 | Z-d | D1 | Z-d | |||||
50 | 2 | 43 | 112 | 625 | 245 | 72 | 125 | 4-14 | 125 | 4-18 | 11 |
65 | 21/2 | 46 | 115 | 625 | 245 | 72 | 145 | 4-14 | 145 | 8-18 | 12 |
80 | 3 | 49 | 120 | 645 | 245 | 72 | 160 | 8-18 | 160 | 8-18 | 15 |
100 | 4 | 56 | 138 | 675 | 355 | 92 | 180 | 8-18 | 190 | 8-22 | 17 |
125 | 5 | 64 | 164 | 715 | 355 | 92 | 210 | 8-18 | 220 | 8-26 | 27 |
150 | 6 | 70 | 175 | 800 | 355 | 92 | 240 | 8-22 | 250 | 8-26 | 29 |
200 | 8 | 71 | 208 | 850 | 250 | 170 | 295 | 12-22 | 310 | 12-26 | 45 |
250 | 10 | 76 | 243 | 925 | 250 | 170 | 355 | 12-26 | 370 | 12-30 | 69 |
300 | 12 | 83 | 283 | 1035 | 450 | 220 | 410 | 12-26 | 430 | 16-30 | 86 |
350 | 14 | 92 | 310 | 1070 | 450 | 220 | 470 | 16-26 | 490 | 16-33 | 122 |
400 | 16 | 102 | 340 | 1190 | 450 | 220 | 525 | 16-30 | 550 | 16-36 | 141 |
450 | 18 | 114 | 380 | 1250 | 650 | 280 | 585 | 20-30 | 600 | 20-36 | 191 |
500 | 20 | 127 | 410 | 1290 | 650 | 280 | 650 | 20-33 | 660 | 20-36 | 260 |
600 | 24 | 154 | 470 | 1455 | 850 | 380 | 770 | 20-36 | 770 | 20-39 | 380 |
700 | 28 | 165 | 550 | 1585 | 850 | 380 | 840 | 24-36 | 875 | 24-42 | 450 |
800 | 32 | 190 | 640 | 1700 | 1250 | 380 | 950 | 24-39 | 990 | 24-48 | 650 |
900 | 36 | 203 | 710 | 1865 | 1250 | 380 | 1050 | 28-39 | 1090 | 28-48 | 830 |
1000 | 40 | 216 | 770 | 2015 | 1250 | 380 | 1170 | 28-42 | 1210 | 28-56 | 1050 |
1200 | 48 | 254 | 890 | 2250 | 1250 | 380 | 1390 | 32-48 | 1420 | 32-56 | 1400 |
公稱通徑 | 結構長度 標準值 | 外形尺寸(參考值) | 連接尺寸 標準值 | |||||
H | H1 | A1 | B1 | PN40MPa | ||||
毫米 | 英寸 | L | D1 | Z-d | ||||
50 | 2 | 43 | 112 | 625 | 250 | 170 | 125 | 4-14 |
65 | 21/2 | 46 | 115 | 625 | 250 | 170 | 145 | 8-18 |
80 | 3 | 49 | 120 | 645 | 250 | 170 | 160 | 8-18 |
100 | 4 | 56 | 138 | 675 | 250 | 170 | 190 | 8-22 |
125 | 5 | 64 | 164 | 715 | 450 | 220 | 220 | 8-26 |
150 | 6 | 70 | 175 | 800 | 450 | 220 | 250 | 8-26 |
200 | 8 | 71 | 208 | 850 | 450 | 220 | 320 | 12-30 |
250 | 10 | 76 | 243 | 925 | 450 | 280 | 385 | 12-33 |
300 | 12 | 83 | 283 | 1035 | 650 | 280 | 450 | 16-33 |
350 | 14 | 92 | 310 | 1070 | 650 | 280 | 510 | 16-36 |
400 | 16 | 102 | 340 | 1190 | 650 | 280 | 585 | 16-39 |
450 | 18 | 114 | 380 | 610 | 20-39 | |||
500 | 20 | 127 | 410 | 670 | 20-42 | |||