D343H美標法蘭蝶閥采用三維偏心斜錐形閥座密封,蝶板密封采用新型金屬片與彈性材料層疊而成,嵌裝在蝶板上與閥座吻合。利用蝶板擺動壓緊密封,所以密封面摩擦阻力小,關閉時具有越關越緊功能,這樣密封性可靠,開啟確保密封面完全脫離接觸,保證了密封面不受損傷。該蝶閥結構特點排除了其他類型蝶閥開過位而不能密封的缺點,且在高曙下能正常使用,克服了其它類型閥門在高溫使用時因熱膨脹而容易泄漏的缺點。該蝶閥耕具使用介質要求,選用不同密封面材料,以保證密封面耐磨損、耐腐蝕、使用壽命長。
產品名稱: | 美標法蘭蝶閥 | 產品型號: | D343H |
公稱通徑: | DN50~DN2400 | 閥座密封: | 金屬密封 |
公稱壓力: | 1.6Mpa~5.0MPa、150LB-300LB | 連接方式: | 對夾、法蘭 |
適用溫度: | -20ºC~+425ºC | 驅動方式: | 手柄、蝸輪、氣動、電動 |
閥體材質: | WCB、鑄鋼、碳鋼、不銹鋼 | 制造標準: | 國標GB、德國DIN、美國API、ANSI |
適用介質: | 水、油、蒸汽、海水 | 生產廠家: | 浙江嵐勝閥門有限公司 |
設計標準 | API609-83 |
法蘭連接尺寸 | ANSI B16.5 |
結構長度 | ANSI B16.10-1992 |
壓力試驗: | API598-82 |
公稱通徑 | DN(mm) | 2"~36" | |
公稱壓力 | PN(Mpa) | 150Lb | 300Lb |
試驗壓力 | 強度試驗 | 3.0 | 7.5 |
密封試驗 | 2.2 | 5.5 | |
適用介質 | 水、蒸汽、油品、海水等 | ||
適用溫度 | -29℃~425℃ | ||
零件名稱 | 材料 |
閥體 | WCB、304、316、316SS、CF8M |
蝶板 | WCB、304、316、316SS、CF8M |
閥桿 | 316、2Cr13、1Cr18Ni9Ti |
密封圈 | 316、氟塑料 |
填料 | 柔性石墨、氟塑料 |

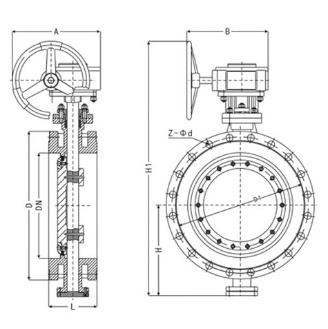
公稱通徑DN | 尺寸 | ||||||
L | D | D1 | D2 | b | Z-d | ||
2" | 50 | 108 | 152 | 120.5 | 92 | 16 | 4-19 |
2.5" | 65 | 112 | 178 | 139.5 | 105 | 18 | 4-19 |
3" | 80 | 114 | 190 | 152.5 | 127 | 19 | 4-19 |
4" | 100 | 127 | 229 | 190.5 | 157 | 27 | 8-19 |
5" | 125 | 140 | 254 | 216 | 186 | 27 | 8-22 |
6" | 150 | 140 | 279 | 241.5 | 216 | 26 | 8-22 |
8" | 200 | 152 | 343 | 298.5 | 270 | 29 | 8-22 |
10" | 250 | 165 | 406 | 362 | 324 | 31 | 12-25 |
12" | 300 | 178 | 483 | 532 | 381 | 32 | 12-25 |
14" | 350 | 190 | 533 | 476 | 413 | 35 | 12-29 |
16" | 400 | 216 | 597 | 540 | 470 | 37 | 16-29 |
18" | 450 | 222 | 635 | 578 | 533 | 40 | 16-32 |
20" | 500 | 229 | 699 | 635 | 584 | 43 | 20-32 |
24" | 600 | 267 | 813 | 750 | 692 | 48 | 20-35 |
28" | 700 | 292 | 927 | 864 | 800 | 71 | 28-35 |
32" | 800 | 318 | 1060 | 978 | 914 | 81 | 28-41 |
36" | 900 | 330 | 1168 | 1086 | 1022 | 90 | 32-41 |
40" | 1000 | 410 | 1289 | 1200 | 1124 | 90 | 36-41 |
公稱通徑DN | 尺寸 | ||||||
L | D | D1 | D2 | b | Z-d | ||
2" | 50 | 108 | 165 | 127 | 92 | 23 | 8-19 |
2.5 | 65 | 112 | 190 | 149 | 105 | 26 | 8-22 |
3" | 80 | 114 | 210 | 168.5 | 127 | 29 | 8-22 |
4" | 100 | 127 | 241 | 200 | 157 | 32 | 8-22 |
5" | 125 | 140 | 279 | 235 | 186 | 35 | 8-22 |
6" | 150 | 140 | 318 | 270 | 216 | 37 | 12-22 |
8" | 200 | 152 | 381 | 330 | 270 | 42 | 12-25 |
10" | 250 | 165 | 445 | 387.5 | 324 | 48 | 16-29 |
12" | 300 | 178 | 521 | 451 | 381 | 51 | 16-32 |
14" | 350 | 190 | 584 | 514.5 | 413 | 54 | 20-32 |
16" | 400 | 216 | 648 | 571.5 | 470 | 58 | 20-35 |
18" | 450 | 222 | 711 | 628.5 | 533 | 61 | 24-35 |
20" | 500 | 229 | 775 | 686 | 584 | 64 | 24-35 |
24" | 600 | 267 | 914 | 813 | 692 | 70 | 24-41 |