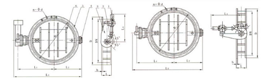
D243W型電液動雙向蝶閥是一種適用性很強的新型產品,電液動蝶閥以電液推桿作動力源,通過雙向齒輪泵輸出壓力油,經油路集成塊的控制送至油缸,實現活塞往復運動,同時通過曲柄轉動閥軸、閥板作90°范圍旋轉,達到調節流量的目的。廣泛用干冶金、礦山、電力、建材、 醫藥、化工等行業生產過程中,能對管道中介質的流量進行遠程控制或現場控制。
產品名稱: | 電液動雙向蝶閥 | 產品型號: | D243W |
公稱通徑: | DN50~DN1000 | 閥座密封: | 堆焊合金、司太立合金 |
公稱壓力: | 0.1Mpa~2.5MPa | 連接方式: | 法蘭式 |
適用溫度: | -20ºC~+550ºC | 驅動方式: | 手動、蝸輪、電動、氣動 |
閥體材質: | 鑄鋼、不銹鋼 | 制造標準: | 國標GB、德國DIN、美國API、ANSI |
適用介質: | 水、油、蒸汽、氣體、粉體、液體 | 生產廠家: | 浙江嵐勝閥門有限公司 |
1、該蝶閥結構簡單、緊湊、重量輕、易于安裝和拆卸、維修方便;
2、本蝶閥采用不銹鋼“U”型密封圈,具有一定的彈性無論在高溫、低溫的情況下,它與蝶板均具有優良的密封性;
3、本蝶閥的三維偏心距,經過嚴格的計算,“U”型密封圈與蝶板幾乎無磨擦,使用壽命長,并具有越關越緊的功能;
4、蝶板密封面采用堆焊鈷基硬質合金,密封面耐磨損,使用壽命長;
5、本蝶閥結構獨特,“開關”僅需轉動閥桿90°即可完成。操作靈活、方便、省力、不受介質壓力的高低影響,密封性能可靠;
6、耐高溫、耐低溫、耐腐蝕性。
設計制造標準:GB/T 12238-2008
結構長度標準:GB/T 12221-2005
連接法蘭標準:GB/T 9113
壓力溫度等級:GB/T 12224-2005
試驗檢驗標準:GB/T 13927-2008
型號 | D243H-16 | D243W-16P | D243W-16R | |
工作壓力(MPa) | 1.6 | |||
適用溫度(℃) | ≤425 | ≤200 | ||
適用介質 | 水、油或非腐蝕性介質 | 硝酸類介質 | 醋酸類介質 | |
材料 | 閥體、蝶板 | WCB | CF8/304 | CF3M/316L |
閥桿 | 2Cr13 | 304 | 316L | |
閥體密封面 | 堆焊 507 | - | - | |
蝶板密封面 | 304+柔性石墨 | 304+PTFE | 304+PTFE | |
填料 | 柔性石墨 | PTFE | PTFE | |
1、偏離管道中心
2、偏離密封面中心
3、傾斜的錐形
當閥門開啟時,蝶板與閥座在關閉時瞬間接觸,利用蝶板偏心
1、偏心
2迅速脫離閥座,降低了密封副的磨損,磨擦力矩小,開啟靈活。偏心錐面
3,使閥門在開啟或關閉時蝶板能通過閥座內孔,實現接觸密封。另外,錐形蝶板的旋轉半徑大于密封副接觸位置的旋轉半徑,故蝶板在閥門關閉時將出現越關越緊,能夠實現自鎖,防止蝶板過位。

PN | DN | L | D | D1 | D2 | Z-d | b | f | H | H0 |
1.0
| 50 | 108 | 165 | 125 | 99 | 4-18 | 20 | 2 | 170 | 130 |
65 | 112 | 185 | 145 | 118 | 4-18 | 20 | 2 | 170 | 145 | |
80 | 114 | 200 | 160 | 132 | 8-18 | 20 | 2 | 230 | 152 | |
100 | 127 | 220 | 180 | 156 | 8-18 | 22 | 2 | 320 | 192 | |
125 | 140 | 250 | 210 | 184 | 8-18 | 22 | 2 | 345 | 200 | |
150 | 140 | 285 | 240 | 211 | 8-22 | 24 | 2 | 385 | 230 | |
200 | 152 | 340 | 295 | 266 | 8-22 | 24 | 2 | 471 | 297 | |
250 | 165 | 405 | 355 | 319 | 12-22 | 26 | 2 | 533 | 327 | |
300 | 178 | 445 | 400 | 370 | 12-22 | 26 | 2 | 606 | 364 | |
350 | 190 | 505 | 460 | 429 | 16-22 | 26 | 2 | 694 | 404 | |
400 | 216 | 565 | 515 | 480 | 16-26 | 26 | 2 | 757 | 444 | |
450 | 222 | 615 | 565 | 530 | 20-26 | 28 | 2 | 814 | 472 | |
500 | 229 | 670 | 620 | 582 | 20-26 | 28 | 2 | 902 | 522 | |
600 | 267 | 780 | 725 | 682 | 20-30 | 34 | 2 | 1048 | 590 | |
700 | 292 | 895 | 840 | 794 | 24-30 | 34 | 5 | 1277 | 810 | |
800 | 318 | 1015 | 950 | 901 | 24-33 | 36 | 5 | 1385 | 844 | |
900 | 330 | 1115 | 1050 | 1001 | 28-33 | 38 | 5 | 1490 | 890 | |
1000 | 410 | 1230 | 1160 | 1112 | 28-36 | 38 | 5 | 1620 | 950 | |
1.6
| 50 | 108 | 165 | 125 | 99 | 4-18 | 20 | 2 | 170 | 130 |
65 | 112 | 185 | 145 | 118 | 4-18 | 20 | 2 | 170 | 145 | |
80 | 114 | 200 | 160 | 132 | 8-18 | 20 | 2 | 230 | 152 | |
100 | 127 | 220 | 180 | 156 | 8-18 | 22 | 2 | 320 | 192 | |
125 | 140 | 250 | 210 | 184 | 8-18 | 22 | 2 | 345 | 200 | |
150 | 140 | 285 | 240 | 211 | 8-22 | 24 | 2 | 385 | 230 | |
200 | 152 | 340 | 295 | 266 | 12-22 | 24 | 2 | 471 | 297 | |
250 | 165 | 405 | 355 | 319 | 12-26 | 26 | 2 | 533 | 327 | |
300 | 178 | 460 | 410 | 370 | 12-26 | 28 | 2 | 606 | 364 | |
350 | 190 | 520 | 470 | 429 | 16-26 | 30 | 2 | 694 | 404 | |
400 | 216 | 580 | 525 | 480 | 16-30 | 32 | 2 | 757 | 444 | |
450 | 222 | 640 | 585 | 548 | 20-30 | 40 | 2 | 814 | 472 | |
500 | 229 | 715 | 650 | 609 | 20-33 | 44 | 2 | 902 | 522 | |
600 | 267 | 840 | 770 | 720 | 20-36 | 54 | 2 | 1048 | 590 | |
700 | 292 | 910 | 840 | 794 | 24-36 | 40 | 5 | 1277 | 810 | |
800 | 318 | 1025 | 950 | 901 | 24-39 | 42 | 5 | 1385 | 844 | |
900 | 330 | 1125 | 1050 | 1001 | 28-39 | 44 | 5 | 1490 | 890 | |
1000 | 410 | 1225 | 1170 | 1112 | 28-42 | 46 | 5 | 1620 | 950 | |
2.5
| 50 | 108 | 165 | 125 | 99 | 4-18 | 20 | 2 | 170 | 130 |
65 | 112 | 185 | 145 | 118 | 8-18 | 22 | 2 | 265 | 210 | |
80 | 114 | 200 | 160 | 132 | 8-18 | 24 | 2 | 310 | 233 | |
100 | 127 | 235 | 190 | 156 | 8-22 | 24 | 2 | 343 | 242 | |
125 | 140 | 270 | 220 | 184 | 8-26 | 26 | 2 | 385 | 254 | |
150 | 140 | 300 | 250 | 211 | 8-26 | 28 | 2 | 445 | 580 | |
200 | 152 | 360 | 310 | 274 | 12-26 | 30 | 2 | 510 | 297 | |
250 | 165 | 425 | 370 | 330 | 12-30 | 32 | 2 | 569 | 339 | |
300 | 178 | 485 | 430 | 389 | 16-30 | 34 | 2 | 653 | 375 | |
350 | 190 | 555 | 490 | 448 | 16-33 | 38 | 2 | 730 | 420 | |
400 | 216 | 620 | 550 | 503 | 16-36 | 40 | 2 | 810 | 463 | |
450 | 222 | 670 | 600 | 548 | 20-36 | 46 | 2 | 850 | 495 | |
500 | 229 | 730 | 660 | 609 | 20-36 | 48 | 2 | 940 | 566 | |
600 | 267 | 845 | 770 | 720 | 20-39 | 58 | 2 | 1150 | 630 | |
700 | 292 | 960 | 875 | 820 | 24-42 | 58 | 5 | 1195 | 727 | |
800 | 318 | 1085 | 990 | 609 | 24-36 | 58 | 5 | 1268 | 810 |