FLs641H氣動帶手動放料閥主要用于反應器,儲罐和其他容器的底部排料,借助于閥門底部法蘭焊接于儲罐和其他容器的底部,因此消除介質常在容器底部的殘留現象。放料閥根據實際情況的需要,放底結果設計為平底,閥體為V型,并提供提升和下降兩種工作方式的閥瓣。閥體內腔裝有耐沖刷、耐腐蝕的密封圈,在開啟閥門瞬間,可以保護閥體不被介質沖刷、腐蝕,并對密封圈進行特種處理,使表面硬度達到HRC56~62,具有高耐磨、耐腐蝕的功能。閥瓣密封根據需要時封面均堆焊接有硬質合金,密封面采用線密封,保證密封的可靠性,并可防止結疤。同時,采取短行程閥瓣的設計。在化工、石油、冶金、制藥、農藥、染料、食品加工等行業廣泛使用。
產品名稱: | 氣動帶手動放料閥 | 產品型號: | FLs641H |
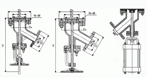
公稱通徑: | DN25~DN200 | 結構形式: | 上展式、下展式 |
公稱壓力: | 1.6MPa~2.5MPa~4.0MPa | 連接方式: | 法蘭 |
適用溫度: | -29ºC~+425ºC | 驅動方式: | 手動、氣動、電動 |
閥體材質: | 鑄鋼、不銹鋼 | 制造標準: | 國標GB、德國DIN、美國API、ANSI |
適用介質: | 顆粒狀物料、結晶顆粒、其他物料等 | 生產廠家: | 浙江嵐勝閥門有限公司 |
1.設計制造標準按GB/T12235-2007
2.結構長度標準按企業標準
3.法蘭連接按JB/T79-94,GB/T9113 HG20592-2009等
4.試驗與檢驗按GB/T13927-2008
氣動帶手動放料閥主要用于儲料罐、反應釜及其他容器的底部排放物料,閥門采用法蘭或對接焊與設備連接并位于其底部,消除了工藝介質通常在容器出口的殘留現象。根據實際情況的需要分為上展式、下展式、柱塞式三種結構形式;上展式用于有攪拌器(除框式錨式)的反應釜放料;而下展式、柱塞式用于框式錨式攪拌器的反應釜放料。密封面采用耐沖刷、耐腐蝕材料,并進行特殊處理,使表面硬度達到HRC48~52,具有高耐磨、耐腐蝕的功能,保證了閥門的密封可靠性。廣泛使用在化工、石油、冶金、制藥、染料、食品加工等行業。
零件名稱 | ZG1Cr18Ni9Ti系列 | ZG00Cr18Ni10系列 | ZG1Cr18Ni12MO 2 Ti系列 | ZG00Cr17Ni14MO 2 系列 | WCB系列 |
閥體/閥蓋 | ZG1Cr18Ni9Ti | ZG00Cr18Ni10 | ZG1Cr18Ni12MO 2 Ti | ZG00Cr17Ni14MO 2 | WCB |
閥桿 | ZG1Cr18Ni9Ti | ZG00Cr18Ni10 | ZG1Cr18Ni12MO 2 Ti | ZG00Cr17Ni14MO 2 | WCB |
閥瓣 | ZG1Cr18Ni9Ti | ZG00Cr18Ni10 | ZG1Cr18Ni12MO 2 Ti | ZG00Cr17Ni14MO 2 | WCB |
墊片 | 304+PTFE | 304L+PTFE | 316+PTFE | 316L+PTFE | 石墨+304 |
螺柱 | 1Cr17Ni2 | 1Cr17Ni2 | 1Cr17Ni2 | 1Cr17Ni2 | 35CrMoA |
螺母 | 1Cr18Ni9Ti | 1Cr18Ni9Ti | 1Cr18Ni9Ti | 1Cr18Ni9Ti | 45 |

DN | d | D | D1 | D2 | D3 | D4 | D5 | D6 |
25 | 25 | 115 | 85 | 65 | 115 | 85 | 60 | 40 |
32 | 32 | 135 | 100 | 78 | 135 | 100 | 65 | 45 |
40 | 40 | 145 | 110 | 85 | 145 | 110 | 80 | 60 |
50 | 50 | 160 | 125 | 100 | 160 | 125 | 85 | 70 |
65 | 65 | 180 | 145 | 120 | 180 | 145 | 125 | 85 |
80 | 80 | 195 | 160 | 135 | 195 | 160 | 135 | 95 |
100 | 100 | 215 | 180 | 155 | 215 | 180 | 160 | 130 |
125 | 125 | 245 | 210 | 185 | 245 | 210 | 180 | 140 |
150 | 150 | 280 | 240 | 210 | 280 | 240 | 185 | 165 |
200 | 200 | 335 | 295 | 265 | 335 | 295 | 255 | 230 |
DN | d | D | D1 | D2 | D3 | D4 | D5 | D6 |
25 | 25 | 115 | 85 | 65 | 135 | 100 | 75 | 55 |
32 | 32 | 135 | 100 | 78 | 145 | 110 | 80 | 57 |
40 | 40 | 145 | 110 | 85 | 160 | 125 | 100 | 65 |
50 | 50 | 160 | 125 | 100 | 180 | 145 | 125 | 70 |
65 | 65 | 180 | 145 | 120 | 195 | 160 | 135 | 90 |
80 | 80 | 195 | 160 | 135 | 215 | 180 | 155 | 130 |
100 | 100 | 215 | 180 | 155 | 245 | 210 | 195 | 135 |
125 | 125 | 245 | 210 | 185 | 280 | 240 | 180 | 145 |
150 | 150 | 280 | 240 | 210 | 335 | 295 | 215 | 185 |
200 | 200 | 335 | 295 | 265 | 405 | 355 | 300 | 220 |
250 | 250 | 405 | 355 | 320 | 460 | 410 | 350 | 240 |