D71X手動軟密封蝶閥該產品由橡膠密封蝶閥和碳鋼或不銹鋼閥板、閥桿構成。適用于溫度≤80~120℃如食品、醫藥、化工、石油、電力、輕紡、造紙等給排水、氣體管道上作調節流量和截流介質的作用。其主要特點為:
1、設計新穎、合理、結構獨特,重量輕,啟閉迅速。
2、操力矩小,操作方便,省力靈巧。
3、可以任何位置安裝,維修方便。
4、密封件可以更換,密封性能可靠達到雙向密封零泄漏。
5、密封材料耐老化、耐弱腐蝕,使用壽命長等特點。
產品名稱: | 手動軟密封蝶閥 | 產品型號: | D71X |
公稱通徑: | DN50~DN1000 | 閥座密封: | 丁青橡膠、聚四氟乙烯 |
公稱壓力: | 1.0Mpa~1.6MPa | 連接方式: | 對夾 |
適用溫度: | -20ºC~+150ºC | 驅動方式: | 手動、蝸輪、電動、氣動 |
閥體材質: | 鑄鐵、球墨鑄鐵、鑄鋼、不銹鋼 | 制造標準: | 國標GB、德國DIN、美國API、ANSI |
適用介質: | 水、油、氣體、粉體、液體 | 生產廠家: | 浙江嵐勝閥門有限公司 |
設計標準:GB/T2238-1989
法蘭連接尺寸:GB/T9113.1-2000;GB/T9115.1-2000;JB78
結構長度:GB/T12221-1989
壓力試驗:GB/T13927-1992;JB/T9092-1999
公稱通徑 | DN(mm) | 50~800 | ||
公稱壓力 | PN(MPa) | 0.6 | 1.0 | 1.6 |
試驗壓力 | 強度試驗 | 0.9 | 1.5 | 2.4 |
密封試驗 | 0.66 | 1.1 | 1.76 | |
氣密封試驗 | 0.6 | 0.6 | 0.6 | |
適用介質 | 空氣、水、污水、蒸氣、煤氣、油品等。 | |||
驅動形式 | 手動、蝸桿蝸輪傳動、氣傳動、電傳動。 | |||
零件名稱 | 材料 | |||
閥體 | 球墨鑄鐵、鑄鋼、合金鋼、不銹鋼 | |||
蝶板 | 鑄鋼、不銹鋼及特殊材料 | |||
密封圈 | 各種橡膠、聚四氟 | |||
閥桿 | 2Cr13、不銹鋼 | |||
填料 | O型圈、柔性石墨O | |||
材料品種 | 氯丁橡膠 | 丁晴橡膠 | 乙丙橡膠 | 聚四氟乙烯 | 硅橡膠 | 氟橡膠 | 天然橡膠 | 尼龍 |
英語簡稱 | CR | NBR | EPDM | PTFE | SI | VITON | NR | PA |
型號代號 | X或J | XA或JA | XB或JB | F或XC、JC | XD或JD | XE或JE | X1 | N |
耐最高溫度 | 82℃ | 93℃ | 150℃ | 232℃ | 250℃ | 204℃ | 85℃ | 93℃ |
耐最低溫度 | -40℃ | -40℃ | -40℃ | -268℃ | -70℃ | -23℃ | -20℃ | -73℃ |
適用工作溫度 | 0~+80℃ | -20~+82℃ | -40~+125℃ | -30~+150℃ | -70~+150℃ | -23~+150℃ | -20~+85℃ | -30~+93℃ |

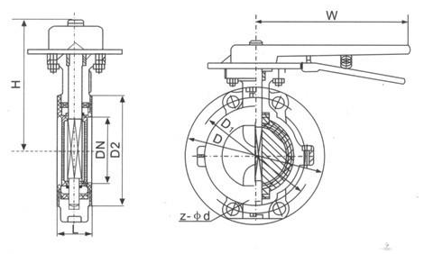
公稱通經 | L | D | D1 | D2 | f | b | Z-φd | |
DN(mm) | NPS(inch) | PN1.0MPa | ||||||
40 | 3/2 | 33 | 145 | 110 | 85 | 3 | 18 | 4-φ18 |
50 | 2 | 43 | 160 | 125 | 100 | 3 | 20 | 4-φ18 |
65 | 5/2 | 46 | 180 | 145 | 120 | 3 | 20 | 4-φ18 |
80 | 3 | 49 | 195 | 160 | 135 | 3 | 22 | 4-φ18 |
100 | 4 | 56 | 215 | 180 | 155 | 3 | 22 | 8-φ16 |
125 | 5 | 64 | 245 | 210 | 185 | 3 | 24 | 8-φ18 |
150 | 6 | 70 | 280 | 240 | 210 | 3 | 24 | 8-φ23 |
200 | 8 | 71 | 335 | 295 | 265 | 3 | 26 | 8-φ23 |
250 | 10 | 76 | 390 | 350 | 320 | 3 | 28 | 12-φ23 |
300 | 12 | 83 | 440 | 400 | 368 | 4 | 28 | 12-φ23 |
350 | 14 | 92 | 500 | 460 | 428 | 4 | 30 | 16-φ23 |
400 | 16 | 102 | 565 | 515 | 482 | 4 | 32 | 16-φ25 |
450 | 18 | 114 | 615 | 565 | 532 | 4 | 32 | 20-φ25 |
500 | 20 | 127 | 670 | 620 | 585 | 4 | 34 | 20-φ25 |
600 | 24 | 154 | 780 | 725 | 685 | 5 | 36 | 20-φ30 |
700 | 28 | 165 | 895 | 840 | 800 | 5 | 40 | 24-φ30 |
800 | 32 | 190 | 1010 | 950 | 905 | 5 | 44 | 24-φ34 |
900 | 36 | 203 | 1110 | 1050 | 1005 | 5 | 46 | 28-φ34 |
1000 | 40 | 216 | 1220 | 1160 | 1115 | 5 | 50 | 28-φ34 |
1200 | 48 | 254 | 1450 | 1380 | 1325 | 5 | 56 | 32-φ41 |
PN1.6MPa | ||||||||
40 | 3/2 | 33 | 145 | 110 | 85 | 3 | 18 | 4-φ18 |
50 | 2 | 43 | 160 | 125 | 100 | 3 | 20 | 4-φ18 |
65 | 5/2 | 46 | 180 | 145 | 120 | 3 | 20 | 4-φ18 |
80 | 3 | 49 | 195 | 160 | 135 | 3 | 22 | 8-φ18 |
100 | 4 | 56 | 215 | 180 | 155 | 3 | 24 | 8-φ18 |
125 | 5 | 64 | 245 | 210 | 185 | 3 | 26 | 8-φ18 |
150 | 6 | 70 | 280 | 240 | 210 | 3 | 28 | 8-φ23 |
200 | 8 | 71 | 335 | 295 | 265 | 3 | 30 | 12-φ23 |
250 | 10 | 76 | 405 | 355 | 320 | 3 | 32 | 12-φ25 |
300 | 12 | 83 | 460 | 410 | 375 | 4 | 34 | 12-φ25 |
350 | 14 | 92 | 520 | 470 | 435 | 4 | 38 | 16-φ25 |
400 | 16 | 102 | 580 | 525 | 485 | 4 | 40 | 16-φ30 |
450 | 18 | 114 | 640 | 585 | 545 | 4 | 44 | 20-φ30 |
500 | 20 | 127 | 705 | 650 | 608 | 4 | 46 | 20-φ34 |
600 | 24 | 154 | 840 | 770 | 718 | 5 | 54 | 20-φ41 |
700 | 28 | 165 | 910 | 840 | 788 | 5 | 54 | 24-φ41 |
800 | 32 | 190 | 1020 | 950 | 898 | 5 | 54 | 24-φ41 |
900 | 36 | 203 | 1120 | 1050 | 998 | 5 | 54 | 28-φ41 |
1000 | 40 | 216 | 1255 | 1170 | 1110 | 5 | 60 | 28-φ48 |